Quantex GmbH
DE RU EN EL
Your region: Europe

Download old versions of quantex applications

Program installation file

Includes programs: ScanDoc, MotoDoc 3, MotoDoc 2, Clients, Supports.

The installation file Date Size
Setup.exe 12.11.2020 421 Mb
Setup.exe 09.10.2020 423 Mb
Setup.exe 19.02.2020 420 Mb
Setup.exe 26.11.2019 419 Mb
Setup.exe 08.09.2019 412 Mb

Manual

Adapter Size Format
ScanDoc Compact v.1
(in a long plastic case)
7.1 Mb. PDF

Adapters and cables

Adapter Cable
ScanDoc Compact v.2
(in a short plastic case)
Test plug
ScanDoc Compact v.1
(in a long plastic case)
Test plug
   
ScanDoc Adapter OBD - 2
ScanDoc Main cable
ScanDoc Test plug
ScanDoc Cigarette lighter power cable
ScanDoc Adapter GM (12 pin)
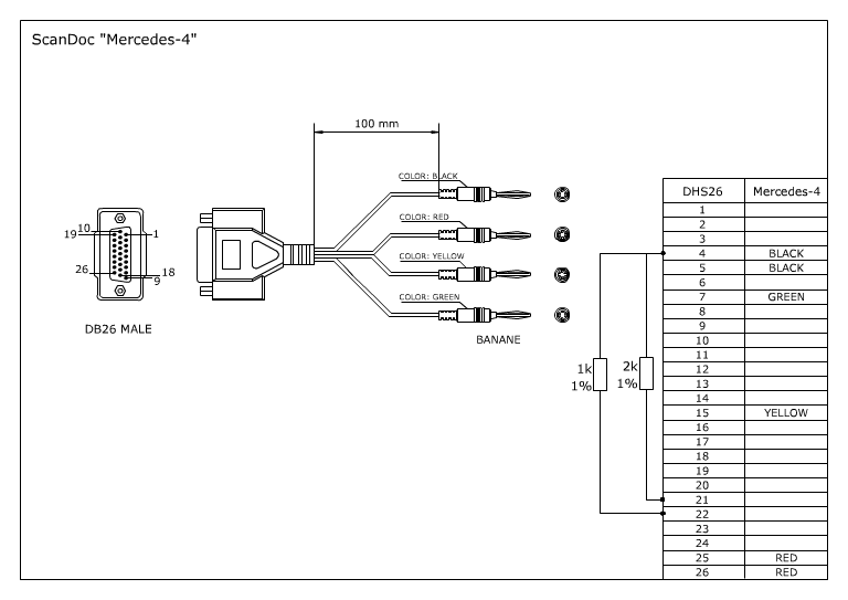
ScanDoc Adapter Mercedes-Benz (38 pin)
ScanDoc Adapter Mercedes-Benz (4 pin)
ScanDoc Adapter Mercedes-Benz Sprinter (14 pin)
ScanDoc Adapter Hyundai / Mitsubishi (12 pin)
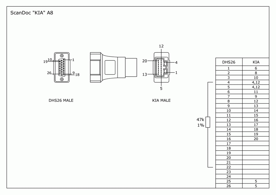
ScanDoc Adapter KIA (20 pin)
ScanDoc Adapter Mazda (17 pin)
ScanDoc Adapter Honda - 3 (3 pin)
ScanDoc Adapter Honda - 5 (5 pin)
ScanDoc Adapter Opel (10 pin)
ScanDoc Adapter Nissan (14 pin)
ScanDoc Adapter Fiat (3 pin)
ScanDoc Adapter GAZ (12 pin)
ScanDoc Adapter VAG (4 pin)
ScanDoc Adapter Toyota (17 pin)
ScanDoc Adapter Toyota (22 pin)
ScanDoc Adapter Deutsch (6 / 9 pin)
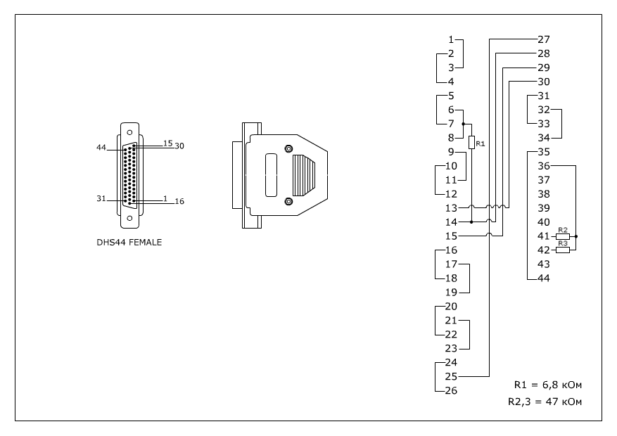
All schemes for the scanner ScanDoc in one ZIP archive (586 Kb)
   
MotoDoc 3 Power cable
MotoDoc 3 Pressure sensor cable
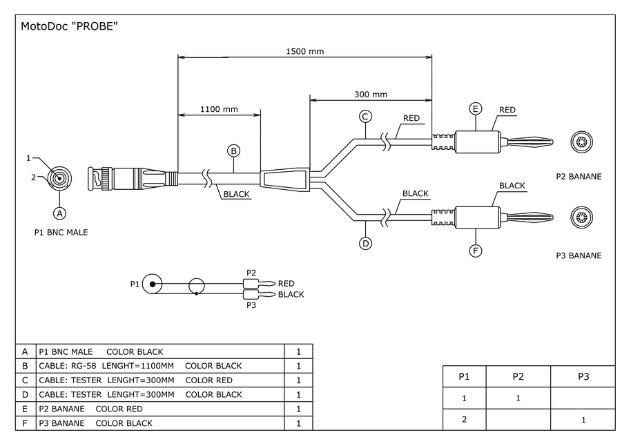
MotoDoc 3 Universal probe cable
MotoDoc 3 Cylinder sensor cable
MotoDoc 3 Cable DIS - 4
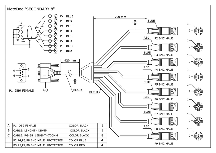
MotoDoc 3 Cable DIS - 8
MotoDoc 3 Sensor cable COP
MotoDoc 3 Wiring diagram for pressure sensor wires
All schemes for the scanner MotoDoc 3 in one ZIP archive (122 Kb)
   
Version with DB-9 trapezoidal connectors
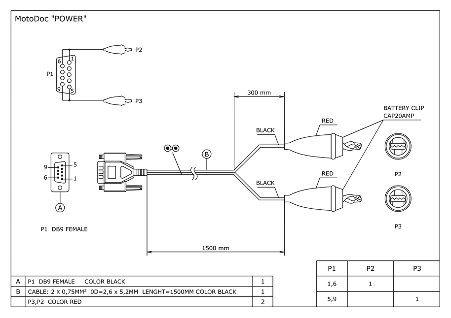
MotoDoc 2 Power cable
MotoDoc 2 Current probe - fuse
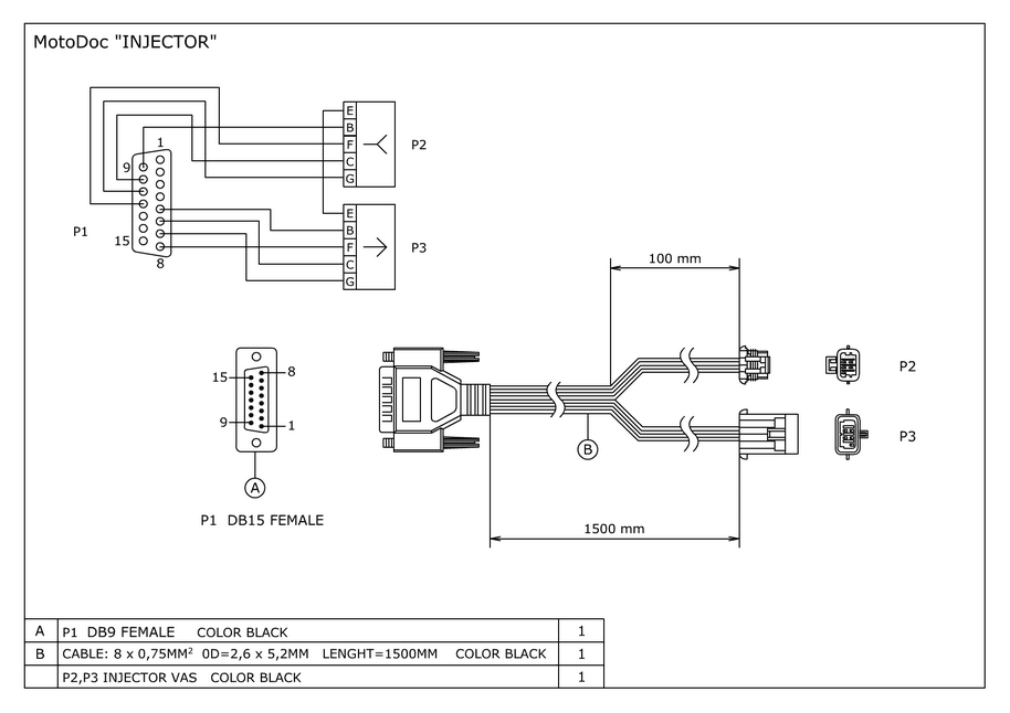
MotoDoc 2 Cable for VAZ injectors
MotoDoc 2 Universal probe cable
MotoDoc 2 2-coils primary voltage cable
MotoDoc 2 4-coils primary voltage cable
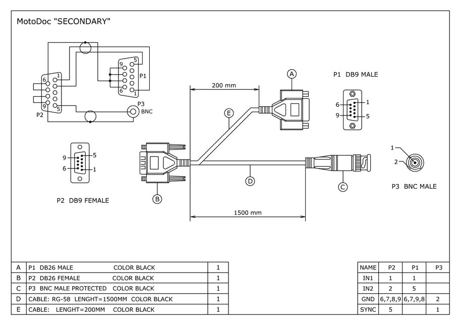
MotoDoc 2 Secondary voltage cable
MotoDoc 2 Cable DIS - 4
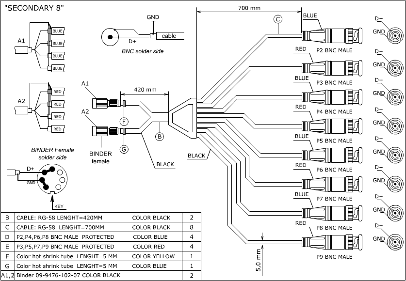
MotoDoc 2 Cable DIS - 8
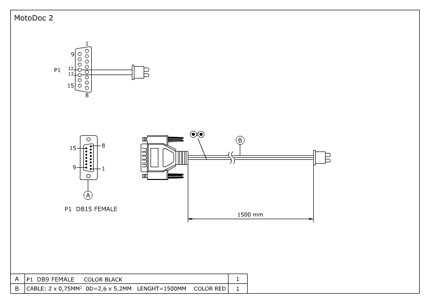
MotoDoc 2 Communication cable with computer
All schemes for the scanner MotoDoc 2 in one ZIP archive (357 Kb)
   
PC version with round connectors type PC
MotoDoc 2 Communication cable with computer
MotoDoc 2 2-coils primary voltage cable
MotoDoc 2 4-coils primary voltage cable
MotoDoc 2 Cable for VAZ injectors
MotoDoc 2 Current probe - fuse
MotoDoc 2 Sync cable
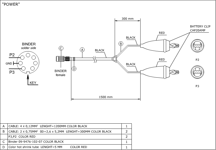
MotoDoc 2 Power cable
MotoDoc 2 Pressure sensor cable
All schemes for the scanner MotoDoc 2 in one ZIP archive (567 Kb)

Circuit diagrams

Unit Size Format
ScanDoc 163 Kb. ZIP archive
MotoDoc 3 121 Kb ZIP archive
MotoDoc 2 247 Kb ZIP archive
Pressure sensor for MotoDoc 2 32 Kb ZIP archive